Москва

+7 (495) 488-65-70

Корзина пуста
Загрузка списка товаров из файла
SALE!-10% -20% -30% -40% -50% -60%
дефицитные компоненты
Инерциальный измерительный модуль с малым потреблением 10 DOF IMU Sensor [C]

Инерциальный измерительный модуль с малым потреблением 10 DOF IMU Sensor [C]

10 DOF IMU Sensor [C] инерциальный измерительный модуль с малым потреблением 10 DOF IMU Sensor [C]. Изделие предназначено для решения задач мониторинга движения, обнаружения и измерения параметров положения объекта, его высоты и температуры окружающей среды. 10 DOF IMU Sensor [C] обеспечивает хорошее взаимодействие «человек - машина», поэтому его с успехом можно применять при изготовлении собственного квадрокоптера, в роботехнике и т. д.

Модуль изготовлен на основе 9-осевого MEMS датчика MPU9255, интегрирующего в себе трехосевой гироскоп, трехосевой акселерометр, трехосевой компас и цифровой процессор движения. И все это в корпусе размером 3х3 мм.

Кроме MPU9255, на плате измерительного модуля размещен барометрический датчик давления BMP280 со встроенным датчиком температуры, который используется для температурной компенсации.

Для передачи данных может использоваться интерфейс I2C. Назначение контактов модуля описано в Таблице 1.

Таблица 1. Назначение контактов платы 10 DOF IMU Sensor [C]

Номер контакта

Символ

Описание

1

VCC

Напряжение питания 3.3В ~ 5.5В

2

GND

Земля

3

SDA

Вывод данных I2C

4

SCL

Вывод тактирования I2C

5

INT

Цифровой выход сигнала прерывания MPU9255

6

FSYNC

Сигнал синхронизации кадра MPU9255

Инерциальный измерительный модуль 10 DOF IMU Sensor [C]

Рис. 1. Инерциальный измерительный модуль 10 DOF IMU Sensor [C]

Размеры инерциального измерительного модуля 10 DOF IMU Sensor [C]

Рис. 2. Размеры инерциального измерительного модуля 10 DOF IMU Sensor [C]

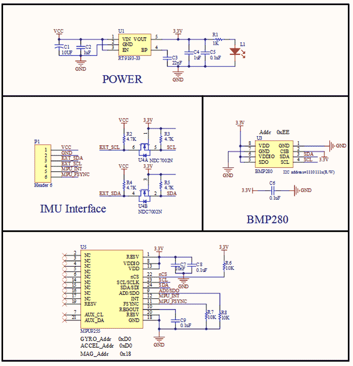
Схема принципиальная электрическая инерциального измерительного модуля 10 DOF IMU Sensor [C]

Рис. 3. Схема принципиальная электрическая инерциального измерительного модуля 10 DOF IMU Sensor [C]

Отличительные особенности:

  • MPU9255: трехосевой гироскоп, трехосевой акселерометр и трехосевой компас/магнитометр:
    • встроенный цифровой процессор движения (DMP™), полностью разгружает вычислительные ресурсы внешнего микроконтроллера, синхронизирует работу датчиков, распознает движение и т. д.,
    • по сравнению с MPU6050 имеет меньшую мощность потребления и больше подходит для носимых устройств;
  • BMP280: барометрический датчик давления:
    • встроенный температурный датчик для температурной компенсации,
    • по сравнению с  BMP180 имеет меньшее энергопотребление и более высокую производительность;
  • Данные с 10 DOF могут быть получены через  I2C интерфейс;
  • Акселерометр:
    • разрешение: 16 бит,
    • диапазон измерений (конфигурируемый): ±2, ±4, ±8, ±16g,
    • рабочий ток: 450 uA;
  • Гироскоп:
    • разрешение: 16 бит,
    • диапазон измерений (конфигурируемый): ±250, ±500, ±1000, ±2000°/сек,
    • рабочий ток: 3.2 мA;
  • Компас/ Магнитометр:
    • разрешение (конфигурируемое): 14 или 16 бит,
    • диапазон измерений: ±4800µT,
    • рабочий ток: 280 uA;
  • Барометрический датчик давления:
    • барометрическое разрешение: 0.0016hPa,
    • температурное разрешение: 0.01°C,
    • диапазон измерений: 300 ~ 1100 hPa (высота: +9000 м  ~ -500 м),
    • относительная точность при измерении давления (700 hPa~900 hPa, 25°C~40°C): ±0.12 hPa (±1м),
    • рабочий ток (при скорости обновления 1 Hz, в  режиме ультранизкого потребления): 2.8 uA;
  • Питание: 3.3 В ~ 5.5 В (внутренний стабилизатор напряжения с малым падением напряжения).

Документацию и программное обеспечение можно найти на сайте производителя.

Анонс составил и подготовил
Шрага Александр,
office@terraelectronica.ru

Производители: Wvshare

Разделы: Аксессуары для микроконтроллерных плат

Опубликовано: 05.05.2017

Товары

10 DOF IMU Sensor [C] 10 DOF IMU Sensor [C] (WAVESHAR)
0 шт.
нет в наличии
добавить к сравнению
  • Москва
  • Санкт-Петербург
  • Мурманск
  • Ульяновск
  • Новосибирск
  • Екатеринбург
  • Краснодар
  • Нижний Новгород
  • Воронеж
  • Уфа
  • Челябинск
  • Самара
  • Красноярск
  • Казань
  • Ростов-на-Дону
  • Саратов
  • Пермь
  • Томск
  • Иркутск
  • Омск
  • Тюмень

Актуальность предложений на товары в корзине истекла, данные были удалены 29.10.2025 в 00:00:00 (Мск.) Список позиций из корзины сохранен в Списке товаров
Актуальность предложений на товары в корзине истекла, данные были удалены 29.10.2025 в 00:00:00 (Мск.) Зарегистрируйтесь или авторизуйтесь на сайте, если регистрировались ранее, чтобы сохранять список товаров из корзины

Данный товар получен от клиентов, которые купили его для целей производства, но он оказался не востребован. Возможно отсутствие ГТД и страны происхождения.