Оценочная плата и референс-дизайн TIDA-00341 на основе датчика приближения, температуры и IO-Link трансмиттера
TIDA-00341 - оценочная плата (Рис. 1) и референс-дизайн на основе датчика приближения, датчика температуры и IO-Link интерфейса. На плате установлен аналоговый биполярный датчик магнитного поля DRV5053 на основе эффекта Холла, чип IO-Link трансивера SN65HVD101 и микроконтроллер MSP430FR5738. Кроме того, на плате имеются два светодиода состояния. Все компоненты, включая разъем индустриального стандарта М12, размещены на печатной плате шириной 6 мм.
Структурная схема изделия представлена на Рис. 2. Благодаря IO-Link интерфейсу, устройство может быть использовано как многопараметрический датчик приближения и температуры.

Рис. 1. Оценочная плата TIDA-00341

Рис. 2. Структурная схема оценочной платы TIDA-00341
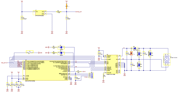
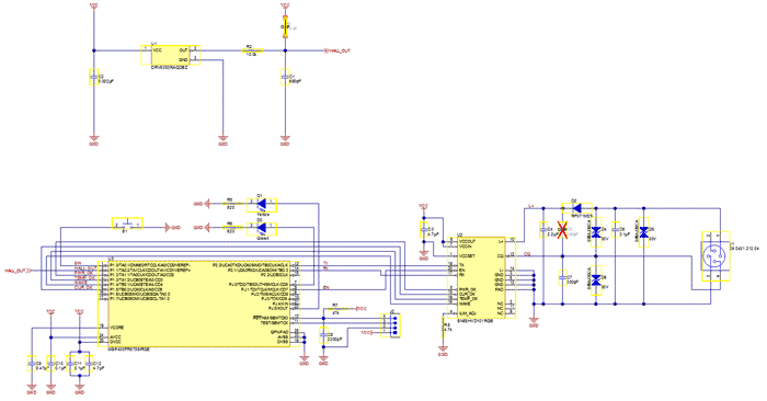
Рис. 3. Схема принципиальная электрическая TIDA-00341
Отличительные особенности:
- Датчик приближения на основе эффекта Холла с IO-Link интерфейсом;
- Датчик температуры окружающей среды;
- Подключение к IO-Link v1.1 из коробки (TMG стек, PHY и разъем М12);
- Соответствие стандартам IEC 61000-4-2, IEC 61000-4-4, IEC 61000-4-5 and IEC 60255-5
Приобрести BOM и заказать печатные платы для изделия можно непосредственно у нас на сайте.
Анонс составил и подготовил
Шрага Александр,
office@terraelectronica.ru
Производители: ТЕРРАЭЛЕКТРОНИКА
Опубликовано: 22.11.2017
