Москва

+7 (495) 488-65-70

Корзина пуста
Загрузка списка товаров из файла
SALE!-10% -20% -30% -40% -50% -60%
дефицитные компоненты
Новый беспроводной трансивер TRC105 на 300-510 МГц с ультранизким энергопотреблением

Новый беспроводной трансивер TRC105 на 300-510 МГц с ультранизким энергопотреблением

TRC105 – новый беспроводной трансивер от компании RFMonolithics, работающий в диапазоне частот 300-510 МГц.

Ультранизкое энергопотребление в режиме приема (3,5 mA) делает TRC105 идеальным решением для задач, где применяется батарейное питание. Для организации беспроводной передачи данных к трансиверу потребуется лишь ПАВ-фильтр, кварц на 12,8 МГц и несколько пассивных компонентов.
 
TRC105 RFMonolithics

Отличительные особенности:

  • рабочий диапазон частот 300-510 МГц;
  • тип модуляции – OOK, FSK;
  • низкое потребление тока в режиме приема: ~3,5 мА;
  • высокая чувствительность: -112 dBm (FSK);
  • конфигурируемая мощность передатчика: до +13 dBm;
  • программируемая скорость передачи данных: 32 kbps (OOK), 200 kbps(FSK);
  • SPI-интерфейс;
  • встроенный CRC;
  • напряжение питания: 2,1…3,6 В;
  • температурный диапазон: -40°C...+85°С;
  • корпус TQFN-32.

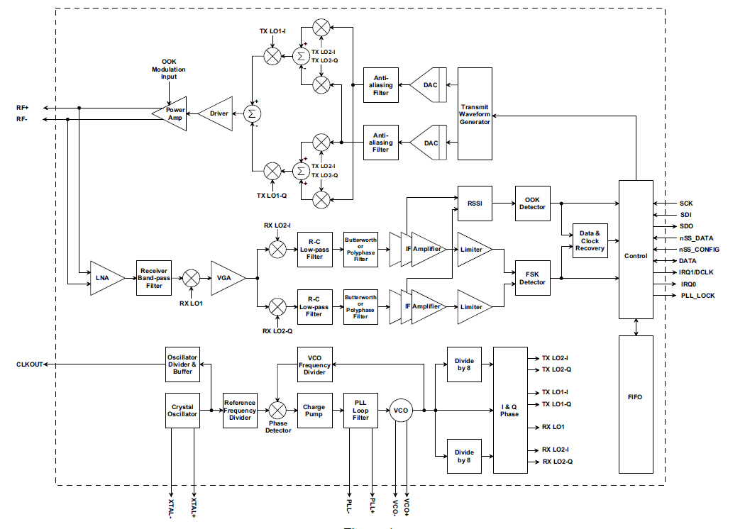
Структурная схема TRC105

Области применения: активные RFID-метки, автоматизированные системы считывания данных со счетчиков, промышленная автоматизация, «умный дом», автомобильные иммобилайзеры, спортивное оборудование, двусторонние телеметрические системы, системы контроля доступа.

Анонс составил и подготовил
Бородин Дмитрий
e-mail:
d.borodin@terraelectronica.ru

Опубликовано: 15.01.2010

  • Москва
  • Санкт-Петербург
  • Мурманск
  • Ульяновск
  • Новосибирск
  • Екатеринбург
  • Краснодар
  • Нижний Новгород
  • Воронеж
  • Уфа
  • Челябинск
  • Самара
  • Красноярск
  • Казань
  • Ростов-на-Дону
  • Саратов
  • Пермь
  • Томск
  • Иркутск
  • Омск
  • Тюмень

Актуальность предложений на товары в корзине истекла, данные были удалены 19.10.2025 в 00:00:00 (Мск.) Список позиций из корзины сохранен в Списке товаров
Актуальность предложений на товары в корзине истекла, данные были удалены 19.10.2025 в 00:00:00 (Мск.) Зарегистрируйтесь или авторизуйтесь на сайте, если регистрировались ранее, чтобы сохранять список товаров из корзины

Данный товар получен от клиентов, которые купили его для целей производства, но он оказался не востребован. Возможно отсутствие ГТД и страны происхождения.