Контроллер датчиков прикосновения MPR031EPR2
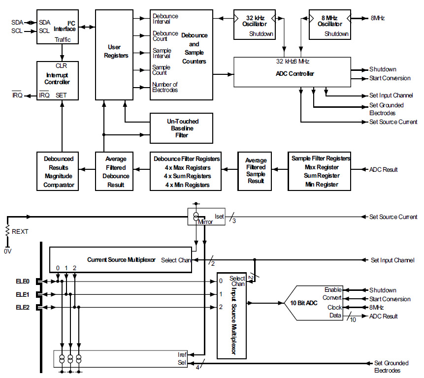
MPR031EPR2 – новый компонент от компании Freescale Semiconductor. Предназначен для создания датчиков прикосновения в вашем устройстве.
Преимуществом данного типа устройств ввода данных является отсутствие механических контактов, что обеспечивает большой срок службы устройства.

Отличительные особенности:
- интерфейс I2C;
- защита от ложных срабатываний;
- два либо три сенсора (в зависимости от наличия вывода прерывания);
- напряжение питания: 1,71…2,75 В;
- рабочий диапазон температур: -40…+85°С;
- корпус: uDFN-8.
Области применения: компьютерная периферия, MP3 плееры, удаленное управление, мобильные телефоны, управление освещением, промышленные системы автоматизации.
Анонс составил и подготовил
Бородин Дмитрий
e-mail:d.borodin@terraelectronica.ru
Опубликовано: 22.03.2010