Москва

+7 (495) 488-65-70

Корзина пуста
Загрузка списка товаров из файла
SALE!-10% -20% -30% -40% -50% -60%
дефицитные компоненты
RFM70 - компактные модули SPI-трансиверов с PCB-антенной на 2,4 ГГц

RFM70 - компактные модули SPI-трансиверов с PCB-антенной на 2,4 ГГц

RFM70-D и RFM70-S - радиомодули GFSK-трансивера, предназначенные для работы в безлицензионном ISM-диапазоне частот 2,4 ГГц.

Мощный передатчик и скорость обмена до 2 МБод, делают их удобными для применения в приложениях, требующих малой потребляемой мощности.

Встроенный блок обработки пакетных сигналов позволяет модулям полнофункционально работать в паре с очень простым микроконтроллером, а встроенные авторетранслятор и автоответчик могут устанавливать связь и вовсе без его вмешательства.

Радиомодули RFM70 функционируют в режиме TDD, или как приемник, или как передатчик.

RFM70-DЧастота ВЧ-канала определяется номером выбранного канала. Частота устанавливается в регистре RF_CH Банка 0 по следующей формуле: F0 = 2400 + RF_CH (МГц). Шаг сетки частот составляет 1 МГц. Для установки связи приемник и передатчик должны быть настроены на один и тот же канал.

Выходная мощность RFM70 устанавливается битами RF_PWR в регистре RF_SETUP.

Демодуляция осуществляется встроенным дешифратором данных и логикой восстановления битов.

Скорость обмена программируется в 1 или 2 МБод в регистре RF_DR. Для приемника и передатчика должны быть запрограммированы одинаковые частотные параметры.

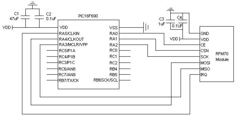
Назначение выводов RFM70
Блок-схема RFM70
Схема включения RFM70

Отличительные особенности:

  • ISM-диапазон: 2400...2483,5 МГц;
  • скорость обмена: 1 и 2 МБод;
  • программируемая выходная мощность: -40…+5 дБм;
  • низкое энергопотребление;
  • переменная длина пакета: 1…32 Байт;
  • автоматическая обработка пакетов;
  • 6 каналов для сетей с топологией «звезда» 1:6;
  • диапазон напряжения питания: 1,9…3,6 В;
  • SPI-интерфейс с максимальной тактовой частотой 8 МГц;
  • корпус DIP (RFM70-D) и SMD (RFM70-S).

Области применения: беспроводная периферия ПК, беспроводные мыши и клавиатуры, беспроводные игровые приставки, беспроводное аудио, VOIP и беспроводные телефоны, дистанционное управление, бытовая электроника, домашняя автоматика, игрушки, индивидуальная медицинская техника и средства развлечения.

Анонс составил и подготовил
Самоделов Андрей
e-mail:
contact@terraelectronica.ru

Опубликовано: 08.11.2010

  • Москва
  • Санкт-Петербург
  • Мурманск
  • Ульяновск
  • Новосибирск
  • Екатеринбург
  • Краснодар
  • Нижний Новгород
  • Воронеж
  • Уфа
  • Челябинск
  • Самара
  • Красноярск
  • Казань
  • Ростов-на-Дону
  • Саратов
  • Пермь
  • Томск
  • Иркутск
  • Омск
  • Тюмень

Актуальность предложений на товары в корзине истекла, данные были удалены 20.10.2025 в 00:00:00 (Мск.) Список позиций из корзины сохранен в Списке товаров
Актуальность предложений на товары в корзине истекла, данные были удалены 20.10.2025 в 00:00:00 (Мск.) Зарегистрируйтесь или авторизуйтесь на сайте, если регистрировались ранее, чтобы сохранять список товаров из корзины

Данный товар получен от клиентов, которые купили его для целей производства, но он оказался не востребован. Возможно отсутствие ГТД и страны происхождения.