Москва

+7 (495) 488-65-70

Корзина пуста
Загрузка списка товаров из файла
SALE!-10% -20% -30% -40% -50% -60%
дефицитные компоненты
Драйвер LM3434 управляет мощными светодиодами, включенными по схеме с общим анодом

Драйвер LM3434 управляет мощными светодиодами, включенными по схеме с общим анодом

Имея высокую частоту регулирования, присущего семейству PowerWise компании National Semiconductor, LM3434SQ/NOPB является адаптивным контроллером понижающего DC/DC-преобразователя с постоянным временем открытого состояния ключа (реальный источник тока) и может использоваться в качестве источника постоянного тока для осветительных светодиодных ламп большой мощности.

Конфигурация выход позволяет подключение анодов множества светодиодов прямо к электрически соединенному с общим проводом схемы шасси для получения максимальной эффективности охлаждения. Высокочастотная архитектура предполагает применение без использования большого количества навесных пассивных компонентов и без выходного конденсатора, в то же время обеспечивает небольшие пульсации тока через светодиоды.

Два входа управления служат для регулирования яркости свечения светодиодов. Аналоговый вход управления током предназначен для компенсирования микросхемой LM3434 разброса параметров светодиодов из разных партий и от разных производителей, и/или для коррекции температуры цвета. Другой вход предназначен для ШИМ-регулирования тока через светодиоды и имеет логический уровень управления.

Функция шунтирования нагруженных светодиодов при помощи параллельного ключа позволяет использовать работу схемы с высокими частотами ШИМ. Применение высокочастотного ШИМ-регулирования позволяет осуществлять цифровую регулировку температуры цвета, интерференционное затемнение, последовательное освещение по полям и управление яркостью. Дополнительными функциям являются защита от перегрева, перенапряжения по питанию и дежурного режима с управлением логическим уровнем.

LM3434Отличительные особенности:

  • диапазон входного напряжения 9…30 В по отношению к аноду светодиода;
  • входы управления связаны с анодом светодиода;
  • выходной ток свыше 6 А;
  • частота ШИМ более 30 кГц;
  • отрицательное выходное напряжение позволяет подключить анод светодиода напрямую к шине питания для максимальной эффективности отвода тепла;
  • не требуется выходной конденсатор;
  • частота переключения до 1 МГц;
  • малый ток потребления в режиме покоя: 1 мА (тип.);
  • схема плавного пуска;
  • адаптивно программируемое время включения обеспечивает постоянное значение пульсации тока;
  • температурный диапазон: -40°C…+125°C;
  • корпус LLP-24.

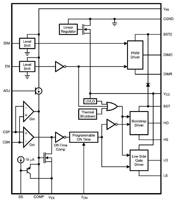
Внутренняя архитектура LM3434

Возникли вопросы?
Обращайтесь!
e-mail:
contact@terraelectronica.ru

Опубликовано: 20.12.2010

  • Москва
  • Санкт-Петербург
  • Мурманск
  • Ульяновск
  • Новосибирск
  • Екатеринбург
  • Краснодар
  • Нижний Новгород
  • Воронеж
  • Уфа
  • Челябинск
  • Самара
  • Красноярск
  • Казань
  • Ростов-на-Дону
  • Саратов
  • Пермь
  • Томск
  • Иркутск
  • Омск
  • Тюмень

Актуальность предложений на товары в корзине истекла, данные были удалены 20.10.2025 в 00:00:00 (Мск.) Список позиций из корзины сохранен в Списке товаров
Актуальность предложений на товары в корзине истекла, данные были удалены 20.10.2025 в 00:00:00 (Мск.) Зарегистрируйтесь или авторизуйтесь на сайте, если регистрировались ранее, чтобы сохранять список товаров из корзины

Данный товар получен от клиентов, которые купили его для целей производства, но он оказался не востребован. Возможно отсутствие ГТД и страны происхождения.