Москва

+7 (495) 488-65-70

Корзина пуста
Загрузка списка товаров из файла
SALE!-10% -20% -30% -40% -50% -60%
дефицитные компоненты
3-осевой MEMS-гироскоп ITG-3200 с I2C-интерфейсом

3-осевой MEMS-гироскоп ITG-3200 с I2C-интерфейсом

ITG-3200 – однокристальный 3-осевой MEMS гироскоп с цифровым выходом, оптимизированный для игр, 3D манипуляторов и 3D удаленного управления. Микросхема имеет повышенную температурную стабильность, избавляя от дополнительной калибровки. Уменьшенный, по сравнению с предыдущим поколением, уровень шума упрощает разработку устройств и повышает чувствительность к движениям.

Для оцифровки сигнала ITG-3200 имеет три 16-разрядных АЦП. Примененные в микросхеме технические новшества позволили на 67% уменьшить размер корпуса и на 50% снизить энергопотребление.

Гироскоп ITG-3200 обеспечивает высокую производительность, низкий уровень шума и низкую стоимость. Микросхема выдерживает удары с ускорением до 10000 g.
С целью увеличения гибкости в выборе источника питания ITG-3200, кроме вывода для питания аналоговой части - VDD, имеет отдельный вывод VLOGIC для питания I2C-интерфейса. Напряжение на выводе VLOGIC может быть в диапазоне 1,71 В…VDD. Потребляемый ток составляет 6,5 мА в рабочем режиме и 5 мкА в спящем.

Отличительные особенности:

  • 3-осевой MEMS гироскоп с широким диапазоном возможностей;
  • цифровой выход отсчетов по X-, Y- и Z-осям, при чувствительности 14,375 LSB на °/с и диапазоном измерения до ±2000 °/с;
  • три 16-разрядных АЦП обеспечивают непрерывное преобразование без использования внешнего мультиплексора;
  • программируемый ФНЧ;
  • широкий диапазон напряжения питания аналоговой части (VDD): 2,1…3,6 В;
  • не требуются ФВЧ;
  • время готовности: 50 мс;
  • датчик температуры с цифровым выходом;
  • заводская калибровка;
  • I2C-интерфейс (400 кГц);
  • генератор тактовой частоты со стабильностью ±2% во всем температурном диапазоне;
  • дополнительные входы внешнего тактового сигнала частотой 32,768 кГц или 19,2 МГц;
  • корпус QFN-24 (4x4x0,9 мм).

Блок-схема ITG-3200

Блок-схема ITG-3200

Ориентация осей чувствительности и направления вращения

Ориентация осей чувствительности и направления вращения



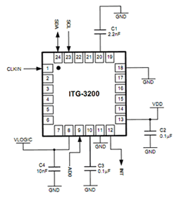
Типовая схема включения ITG-3200

Типовая схема включения ITG-3200

Области применения:

  • управляемые движением игровые контроллеры и портативные игры;
  • управляемые движением 3D мыши 3D системы управления;
  • бесконтактные пользовательские интерфейсы;
  • медицинские и спортивные системы наблюдения.

Анонс составил и подготовил
Самоделов Андрей,
E-mail: contact@terraelectronica.ru

Опубликовано: 08.04.2011

  • Москва
  • Санкт-Петербург
  • Мурманск
  • Ульяновск
  • Новосибирск
  • Екатеринбург
  • Краснодар
  • Нижний Новгород
  • Воронеж
  • Уфа
  • Челябинск
  • Самара
  • Красноярск
  • Казань
  • Ростов-на-Дону
  • Саратов
  • Пермь
  • Томск
  • Иркутск
  • Омск
  • Тюмень

Актуальность предложений на товары в корзине истекла, данные были удалены 19.10.2025 в 00:00:00 (Мск.) Список позиций из корзины сохранен в Списке товаров
Актуальность предложений на товары в корзине истекла, данные были удалены 19.10.2025 в 00:00:00 (Мск.) Зарегистрируйтесь или авторизуйтесь на сайте, если регистрировались ранее, чтобы сохранять список товаров из корзины

Данный товар получен от клиентов, которые купили его для целей производства, но он оказался не востребован. Возможно отсутствие ГТД и страны происхождения.