Плата расширения RPi для управления двумя DC или одним шаговым двигателем
RPi Motor Driver Board – плата расширения для одноплатного миникомпьютера Raspberry Pi. Изделие делает возможным управление с помощью RPi двумя DC или одним шаговым двигателем. Работа с драйвером двигателей поддерживается следующими моделями Raspberry: Pi A+/ B+/ 2 B/ 3 B.
В основе платы расширения – драйвер компании NXP (Freescale) MC33886, представляющий собой H-мост на MOSFET транзисторах со схемой управления, накачки, драйвером затворов и т. д. MC33886 способен управлять индуктивной нагрузкой с рабочим током до 5 А. Работа в режиме ШИМ возможна на частотах до 10 кГц.
На плате RPi Motor Driver Board установлен 5 В стабилизатор напряжения, обеспечивающий питанием RPi. Для дистанционного управления, например, роботом, на RPi в изделии установлен IR приемник. Плата характеризуется хорошей стабильностью. Целым рядом защитных цепей обеспечивает надежную работу платы драйвера. Среди них можно назвать самовосстанавливающийся предохранитель на 2 А, обеспечивающий безопасность Pi, защиту драйвера от короткого замыкания (от больших токов нагрузки), функцию отключения при снижении напряжения, защиту от неправильной полярности подключения источника питания и др.
Максимальный выходной ток для одного двигателя - до 5 А, а ток источника питания для Raspberry Pi – до 2 А. Диапазон входного напряжений платы составляет 7 В – 40 В.

Рис. 1. Плата расширения RPi Motor Driver Board. Вид сверху

Рис. 2. Плата расширения RPi Motor Driver Board. Вид снизу

Рис. 3. Плата расширения RPi Motor Driver Board, подключенная к Raspberry Pi

Рис. 4. Плата расширения RPi Motor Driver Board. Расположение компонентов
- Raspberry Pi GPIO интерфейс: для подключения к Raspberry Pi
- Клеммники винтовые: для подключения двигателей
- Вход внешнего питания
- 74LVC4245AD: 8-канальный преобразователь уровней напряжения, буферная микросхема для работы в схемам со смешанным (3 В и 5 В) питанием
- MC33886: микросхемы драйверов двигателей
- LM2596-5.0: 5 В стабилизатор напряжения
- Индикатор питания
- Выбор питания Raspberry Pi
- Выкл. (OFF): Raspberry Pi питаетMotor Driver Board
- Вкл. (ON): Motor Driver Board питаетRaspberry Pi
- 2 A самовосстанавливающийся предохранитель
- IR приемник
- Диоды Шоттки: защищают микросхемы драйверов двигателей
- Защита (диод) от неверной полярности источника питания

Рис. 5. Размеры платы RPi Motor Driver Board
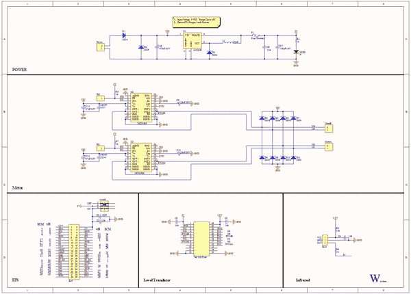
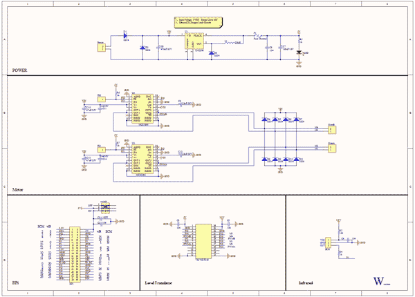
Рис. 6. Схема принципиальная электрическая RPi Motor Driver Board

Рис. 7. Крепление для RPi из комплекта поставки
Отличительные особенности:
- Поддержка Pi A+/ B+/ 2 B/ 3 B;
- Драйвер MC33886, управление DC двигателями для поворота в обоих направлениях;
- 5 В стабилизатор напряжения на плате, обеспечивающий питанием Raspberry Pi;
- IR приемник на плате для дистанционного управления, например, роботом;
- Ряд цепей защиты, хорошая стабильность;
- Диапазон входных напряжений: 7 В – 40 В;
- Выходной ток для одного двигателя: до 5 A;
- Ток источника питания для Raspberry Pi: до 2 A.
Документацию на изделие можно найти на сайте производителя.
Анонс составил и подготовил
шрага Александр,
office@terraelectronica.ru
Производители: Wvshare
Разделы: Демонстрационные платы
Опубликовано: 19.04.2017
