
Как разработать электронное устройство?
Вы хотите разработать новое устройство?
Начнем с хорошей новости – это возможно. Вы можете разработать решение независимо от вашего технического уровня, и вам не обязательно быть инженером, чтобы преуспеть (хотя это, безусловно, поможет). Сейчас разработать новое устройство легче, чем когда-либо ранее.
Независимо от того, являетесь ли вы предпринимателем, стартапом, производителем или изобретателем, это руководство поможет вам понять процесс разработки нового изделия. Хотя я не буду лгать, выпуск нового устройства – невероятно долгий и трудный путь. И если вы ищете простой и быстрый способ заработать деньги, я предлагаю вам прекратить чтение прямо сейчас, потому что вывести на рынок новое решение далеко не просто и быстро.
В этом руководстве сначала будет рассказано о стратегиях разработки продукта для разработчиков и предпринимателей, желающих создать новое изделие. Затем мы перейдем к особенностям разработки платы и пластикового корпуса.
Часть 1. Стратегии развития продукта
По сути, для предпринимателей и стартапов существует пять вариантов разработки нового аппаратного решения. Однако во многих случаях лучше будет комбинировать эти стратегии развития.
1. Самостоятельная разработка продукта
Эту стратегию редко можно реализовать полностью. Очень немногие люди обладают всеми навыками, необходимыми для самостоятельной разработки готового к продаже изделия.
Даже если вы инженер, есть ли у вас компетенции в области проектирования электроники, программирования, 3D-моделирования, литья под давлением, производства и маркетинга? Возможно нет. А ведь, кроме этого, потребуется множество других специалистов.
Тем не менее, если у вас есть необходимые навыки, то чем больше вы будете заниматься разработкой своего продукта, тем больше денег вы сэкономите и, возможно, тем лучше будет конечное решение.
Например, я выпустил свое изделие на рынок около 6 лет назад. Продукт имел сложную механическую начинку. Поскольку я по образованию инженер-электронщик, а не инженер-механик, поэтому мне пришлось вначале нанять пару внештатных инженеров-механиков. Тем не менее, я быстро разочаровался в том, как медленно шла разработка. Я думал о своем продукте постоянно, был одержим разработкой и продвижением своего решения. Но нанятые мною инженеры делили свое время со множеством других проектов и не уделяли моему проекту того внимания, которое он, по моему мнению, заслуживал.
Поэтому я решил изучить все, что нужно для механического проектирования. Никто не был мотивирован более, чем я, чтобы мое решение вышло на рынок. В конечном счете, я смог завершить механическое проектирование намного быстрее (и за гораздо меньшие деньги).
Мораль этой истории заключается в том, что вы должны сделать для развития проекта столько, сколько позволяют ваши навыки, но при этом не должны заходить слишком далеко. Если ваши навыки вынудят вас разработать неоптимальный продукт, это будет большой ошибкой.
Кроме того, любые новые навыки, которые вы будете осваивать, потребуют времени, что в конечном итоге увеличит время выхода на рынок. Всегда привлекайте экспертов, чтобы заполнить пробелы в ваших знаниях.
2. Привлечение эксперта-соучредителя
Если вы далеки от электроники, вам будет очень полезно привлечь технически грамотного соучредителя. В вашей команде должен быть хотя бы один человек, который знает процесс разработки продукта достаточно для того, чтобы им управлять.
Если вы планируете в конечном итоге привлечь профессиональных инвесторов, то вам определенно нужна будет команда соучередителей. Профессиональные стартап-инвесторы знают, что команда обычно гораздо более успешна, чем один основатель.
Идеальная команда соучредителей для большинства аппаратных стартапов - это инженер-электронщик, программист и маркетолог. Привлечение соучредителей может показаться идеальным решением ваших проблем, но есть и серьезные недостатки. Во-первых, найти соучредителей сложно и вероятно потребует огромного количества времени. Это ценное время, которое вы могли потратить на разработку вашего продукта.
Вы не должны торопиться с поиском соучредителей, потратьте столько времени, сколько нужно на поиск достойных кандидатов. Мало того, что они должны дополнять ваши навыки, вы также должны успешно работать с ними на протяжении, по крайней мере, несколько лет.
3. Инженеры на аутсорсинге
Одним из лучших способов заполнить пробелы в технических компетенциях вашей команды является привлечение сторонних инженеров. Но помните, что для разработки большинства продуктов потребуется несколько технических специалистов разных специальностей, и вам придется управлять ими. В конечном счете, кому-то придется выполнять обязанности менеджера проекта.
Рис. 1. Разработка нового электронного устройства обычно требует команды инженеров
Если вы ищете электронщика, убедитесь, что у него есть достаточный опыт разработки требуемых вам схемных решений. Сфера электроники огромна, и многим инженерам не хватает практического опыта проектирования в некоторых областях.
Для разработки 3D-дизайна убедитесь, что вы нашли человека, который имеет опыт работы с технологией литья под давлением, в противном случае вы, скорее всего, получите продукт, для которого можно выпустить прототип, но при больших тиражах возникнут проблемы.
4. Заказ разработки в дизайн центре
Самые известные дизайн центры, такие как Frog, IDEO, Fuse Project и т. д., могут создавать фантастические дизайны продуктов, но они безумно дороги. Скорее всего, их услуги не для стартапа, ведь стоимость разработки может достигать $500 000. Даже если вы можете позволить себе нанять дорогую фирму по разработке продукта, не делайте этого, так как вы, вероятно, никогда не сможете вернуть эти деньги.
5. Партнерство с производителем
Одним из способов достижения цели является партнерство с производителем, который уже выпускает решения, похожие на ваш продукт. Крупные производители имеют собственные конструкторские отделы для работы над выпускаемой ими продукцией. Если вы найдете производителя, который уже делает что-то похожее на ваш продукт, он сможет сделать для вас все – разработку, инжиниринг, создание прототипов, изготовление пресс-форм и выпуск опытной партии.
Эта стратегия может снизить ваши первоначальные затраты на разработку.
Звучит здорово и легко, так в чем же подвох? Основной риск, который следует учитывать при использовании этой стратегии, заключается в том, что вы вкладываете все, что связано с вашим продуктом, в одну компанию. Они наверняка захотят эксклюзивное производственное соглашение, по крайней мере до тех пор, пока их затраты не окупятся. Это означает, что вы не сможете выбрать более дешевый вариант производства, когда объем продаж увеличится. Также имейте в виду, что производители могут потребовать от вас передачи части интеллектуальных прав на ваш продукт.
Часть 2. Разработка электроники
Разработка электроники вашего продукта может быть разбита на семь шагов: выработка технико-экономического обоснования, разработка принципиальной схемы, компоновка печатной платы, выработка окончательной спецификации, изготовление прототипа, тестирование и отладка прошивки и, наконец, сертификация.
Шаг 1. Технико-экономическое обоснование
При разработке нового электронного аппаратного продукта вы должны начать с предварительных расчетов производства. Этот этап не следует путать с прототипом Proof-of-Concept (POC). Прототип POC обычно создается с использованием отладочных плат. Иногда он может быть полезен, чтобы доказать, что ваша концепция продукта решает желаемую проблему. Но прототип POC - далеко не серийный дизайн.
Технико-экономическое обоснование базируется на предварительном понимании состава BOM вашего продукта, ориентировочной стоимости, ожидаемой прибыли, технологичности изделия и ряде других факторов. На этом этапе вы должны также оценить затраты на разработку, создание прототипа, программирование, сертификацию и подготовку производства продукта.
На этом шаге вы должны получить ответы на следующие вопросы:
- Можно ли разработать продукт?
- Могу ли я позволить себе разработать этот продукт?
- Сколько времени займет разработка?
- Можно ли массово производить продукт?
- Можно ли продать его с прибылью?
Многие предприниматели совершают ошибку, пропуская предварительный этап обоснования, и вместо этого сразу переходят к созданию принципиальной схемы. Таким образом, вы можете в конечном итоге обнаружить, что вы потратили усилия и с трудом заработанные деньги на продукт, который нельзя по доступной цене разработать, изготовить или, что самое важное, продать с прибылью.
Шаг 1a. Блок-схема системы
После получения позитивных ответов на вопросы из предыдущего шага, можно перейти к разработке блок-схемы системного уровня. Эта схема определяет каждый электронный блок и то, как все эти компоненты связаны между собой.
Рис. 2. Блок-схема определяет функционал связи на системном уровне.
Большинству современных изделий требуется микроконтроллер или микропроцессор с различными периферийными компонентами (дисплеями, датчиками, памятью и т. д.), взаимодействующими с микроконтроллером через различные последовательные интерфейсы.
Создав блок-схему, вы можете легко определить тип и количество необходимых последовательных портов. Это важный первый шаг для выбора правильного микроконтроллера. Предварительную оценку возможностей микроконтроллеров и периферии можно провести, используя отладочные платы. Они позволят собрать и проверить концепт продукта без затрат времени на разработку схемы и изготовление платы. (Прим. переводчика: обратите внимание на раздел УНИТЕРА каталога Терраэлектроника. Использование уникальных компонентов из этого раздела позволит повысить конкурентоспособность решения и добавить новые возможности для потребителей)
Шаг 1b. Выбор компонентов
Затем вы должны выбрать компоненты: микросхемы, датчики, дисплеи и разъемы в зависимости от требуемых функций и ожидаемой цены вашего продукта. Это позволит вам получить предварительный состав BOM.
Рис. 3. Выбор компонентов является первым важным этапом разработки
В США наиболее популярными поставщиками электронных компонентов являются каталоги Newark, Digikey, Arrow, Mouser и Future. Вы можете приобрести большинство электронных компонентов как в единичном количестве для создания прототипа и первоначального тестирования, так и в партии для мелкосерийного производства. (Прим. переводчика: В России такой широкий выбор компонентов с хорошими возможностями для поиска доступен в каталоге Терраэлектроники)
Конечно, при выходе на большие объемы, вам нужен будет другой поставщик или производитель компонентов.
Шаг 1c. Оценка себестоимости изделия
Теперь вы должны оценить стоимость производства вашего продукта. Вам необходимо знать себестоимость единицы продукции, чтобы определить оптимальную цену продажи, стоимость склада и, самое главное, ожидаемую прибыль.
Рис. 4. Очень важно оценить стоимость производства как можно раньше
Состав компонентов конечно же сильно влияет на стоимость решения. Но в большинстве случаев нужно учитывать изготовление и сборку печатной платы, сборку конечного изделия, тестирование, розничную упаковку, нормы брака и возврата, логистику, пошлины и хранение. (Прим. переводчика: для расчета стоимости BOM изделия в зависимости от партии используйте сервис загрузки спецификации.)
Шаг 2. Разработка принципиальной схемы
Теперь пришло время разработать принципиальную электрическую схему на основе блок-схемы, созданной на первом шаге.
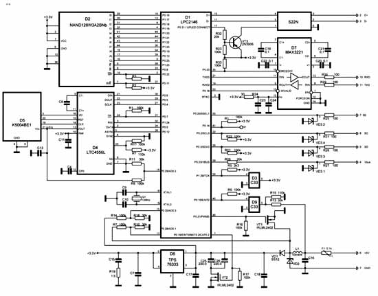
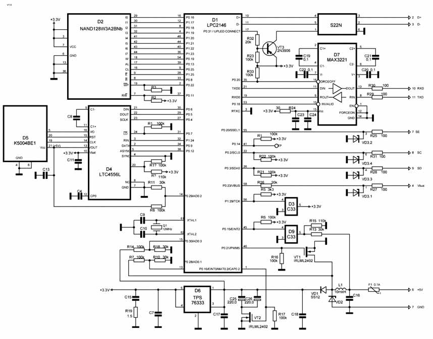
Рис. 5. Пример принципиальной схемы
Принципиальная схема показывает, как каждый компонент, - от микросхем до резисторов, - соединяется друг с другом. В большинстве случаев вам понадобится отдельная схема для каждого функционального блока. А затем эти блоки будут соединены вместе для формирования полной принципиальной схемы.
Избежать ошибок при проектировании схемы поможет специальное программное обеспечение. Я рекомендую использовать мощный, доступный и простой в использовании пакет под названием DipTrace. Кроме того, большую помощь в разработке схем, оказывают типовые решения, подготовленные производителями. Вам останется только перенести в свой проект часть готовой принципиальной схемы и выбрать компоненты по рекомендации производителя.
Шаг 3. Проектирование печатной платы (PCB)
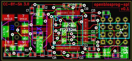
После того как схема разработана, вам потребуется спроектировать печатную плату (PCB). Разработка блок-схемы и принципиальной схемы носила в основном концептуальный характер. Дизайн печатной платы – это выход в реальный мир.
Рис. 6. Принципиальная схема должна быть преобразована в печатную плату
Обычно печатная плата разводится в том же программном обеспечении, что и схема. Программное обеспечение имеет различные встроенные средства проверки, чтобы гарантировать, что плата соответствует заданным правилам проектирования и схеме.
Как правило, чем меньше требуемый размер решения и чем плотнее упакованы компоненты, тем больше времени потребуется для разработки платы. Если компоненты изделия коммутируют большие токи или используют беспроводную связь, то расположение компонентов и дорожек на плате становится еще более критично и потребует больше времени на компоновку.
Рис. 7. Пример компоновки печатной платы (PCB)
Для большинства печатных плат наиболее сложными элементами являются маршрутизация питания, высокоскоростных сигналы и размещение компонентов беспроводной связи. На этом этапе помогут сократить затраты времени на разработку референс дизайны производителей, которые содержат готовые решения по размещению компонентов и проводников на плате.
Шаг 4. Формирование окончательной спецификации (BOM)
Вы уже готовили предварительную спецификацию при проведении технико-экономического обоснования, теперь пришло время для создания полной спецификации. Основное различие между ними заключается в многочисленных недорогих пассивных компонентах, таких как резисторы и конденсаторы. Эти компоненты обычно стоят всего один или два цента, поэтому я не перечисляю их отдельно в предварительной спецификации.
Но для фактического изготовления печатной платы вам нужна полная спецификация со всеми перечисленными компонентами. Эта спецификация обычно создается автоматически программным обеспечением. В спецификации будут указаны номера деталей, количества и спецификации всех компонентов.
Шаг 5. Заказ прототипа печатной платы
Создание прототипа состоит из двух этапов. Сначала производятся печатные платы (Gerber файлы для них можно вывести из САПР, в котором проектировалась плата).
Рис. 8. Пример полностью собранной печатной платы (PCB)
На втором этапе происходит монтаж электронных компонентов (ручной, автоматический или полуавтоматический в зависимости от серии и типа компонентов).
Дешевле всего изготовление прототипа решения обойдется при размещении заказа в Китае. Сократить сроки изготовления можно, разместив заказ у локальных производителей. Из китайских производителей можно рекомендовать компании Seeed Studio, Gold Phoenix PCB и Bittele Electronics, из американских Sunstone Circuits, Screaming Circuits и San Francisco Circuits. (Примечание переводчика: сервис изготовления прототипа доступен в России в компании Терраэлектроника. Перейдите на страницу сервиса, загрузите файлы и получите готовую плату через 10 дней.)
Шаг 6. Программирование и отладка
Очень редко удается добиться идеальной работы прототипа изделия с первого раза. Обычно требуется несколько итераций, прежде чем разработку можно будет считать законченной.
Рис. 9. В большинстве проектов требуется несколько итераций, прежде чем устройство будет готово к выходу на рынок
Затраты времени и ресурсов на этом этапе сложно прогнозировать. Потребуется время, чтобы выяснить источник любой ошибки и найти оптимальный способ ее устранения.
Оценка и тестирование обычно выполняются параллельно с программированием микроконтроллера. Но прежде чем начнется этап разработки прошивки, нужно убедиться, что у платы нет критических проблем.
Рис. 10. Большинство разработок современных устройств требуют программирования
Почти все современные электронные устройства включают в себя микроконтроллер, который должен быть запрограммирован для достижения требуемой функциональности. (Примечание переводчика: для сокращения сроков разработки можно использовать эмуляторы и отладчики, широкий выбор которых доступен в каталоге Средств разработки)
Шаг 7. Сертификация
Большая часть продаваемой электроники должна иметь те или иные сертификаты. Набор сертификатов зависит от страны, в которой предполагаются продажи, поэтому не буду останавливаться на этом подробно.
Часть 3. Разработка корпуса
Скорее всего ваше изделие будет продаваться в корпусе, который механически объединит платы, аккумулятор, индикаторы и другие компоненты.
Если внешний вид и эргономика имеют решающее значение для вашего продукта, то вам нужен промышленный дизайнер. Если внешний вид не особенно критичен, можно самостоятельно разработать 3D модель. (Примечание переводчика: На первом этапе и при небольших партиях вы можете использовать готовые пластиковые корпуса, более 2000 которых представлено в разделе "Корпуса для электронной аппаратуры" каталога Терраэлектроники).
Шаг 1. Создание 3D-модели
Первым шагом в разработке внешнего вида вашего продукта является создание его 3D модели. Для этого можно использовать как известные пакеты программного обеспечения - Solidworks и PTC Creo (ранее назывался Pro/ Engineer), так и бесплатные облачные сервисы типа Fusion 360. После разработки 3D-модели, вы сможете превратить ее в физический прототип. Трехмерную модель также можно использовать в маркетинговых целях, особенно до того, как будут доступны изготовленные корпуса.
Самый большой риск, когда речь заходит о разработке 3D-модели корпуса, заключается в том, что вы в конечном итоге получите дизайн, который можно распечатать на 3D принтере, но нельзя пустить в серию. Разработка детали для производства с использованием литья под давлением может быть довольно сложной, и нужно соблюдать множество правил. Поэтому обязательно нанимайте только тех, кто полностью понимает все сложности и требования, предъявляемые к конструкциям, изготавливаемым методом литья под давлением.
Шаг 2. Заказ прототипа корпуса
Есть два основных метода получения прототипа корпуса: можно использовать 3D-печать или обработать блок материала на станке с ЧПУ. Сейчас на рынке есть множество компаний, предоставляющих услугу изготовления прототипа корпуса. Они могут предложить на выбор различные материалы и технологии изготовления, в том числе литье под давлением для небольших тиражей.
Вы также можете купить недорогой 3D-принтер (скорее всего, вам потребуется несколько итераций для получения нужного корпуса), что позволит быстро создать столько прототипов, сколько нужно.
Шаг 3. Переход к литью под давлением
На 3D принтере можно изготовить прототип корпуса, но для массового производства корпуса изготавливаются с помощью литья под давлением. Подготовка производства пластиковых деталей для этой технологии чрезвычайно затратный процесс. Основной вклад в эту стоимость вносит изготовление пресс-формы. Она имеет полость в форме желаемого изделия, в которую впрыскивается расплавленный пластик под давлением. От прочности формы зависит количество корпусов, которые можно в ней изготовить. Недорогие формы из алюминия позволяют сделать тысячи корпусов, для формы из качественной стали это количество на несколько порядков выше.
Заключение (от переводчика)
Статья дает общее представление о процессе разработки нового электронного изделия, независимо от вашего технического уровня. На большинстве этапов разработки вы можете использовать специализированные сервисы портала https://www.terraelectronica.ru/, которые позволят существенно сократить время разработки и уменьшить её стоимость.
Об авторе: Джон Тил (John Teel), инженер-электронщик, предприниматель, блогер и основатель сервиса Predictable Designs. Будучи ведущим инженером-разработчиком в Texas Instruments (TI), разработал десятки успешных компонентов, которые можно найти во всех популярных электронных устройствах, в том числе Apple и Intel. Удостоен звания ARM Innovator. Помогает создавать новые решения разработчикам со всего мира.
Источник: https://predictabledesigns.com
Опубликовано: 28.10.2019